TS-820RC là bộ trung tâm hội thảo không dây hồng ngoại TOA, hỗ trợ tới 64 Máy chủ tịch/đại biểu và có chứ năng ghi âm trực tiếp, TS-820RC có đặc điểm chính như sau
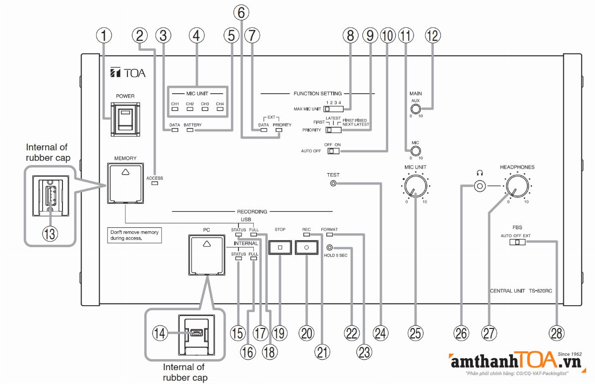
Cấu tạo và chức năng các cổng, phím trên TS-820RC

(1) Công tắc nguồn [POWER]: Gạt công tắc này sang vị trí ON để bật nguồn, đèn chỉ báo nguồn sẽ sáng.
(2) Đèn chỉ báo truy cập (xanh lá) [ACCESS]: Tiếp tục sáng trong khi quá trình ghi âm vào thiết bị bộ nhớ USB đang diễn ra.
Lưu ý: Tránh tháo USB hoặc tắt nguồn khi đèn này đang sáng.
(3) Đèn chỉ báo nhận tín hiệu dữ liệu [DATA]: Sáng khi nhận được dữ liệu điều khiển từ máy đại biểu/chủ tọa.
(4) Đèn chỉ báo nhận tín hiệu âm thanh [MIC UNIT, CH1/CH2/CH3/CH4]: Sáng khi nhận tín hiệu âm thanh từ các máy đại biểu qua 4 kênh.
(5) Đèn chỉ báo pin [BATTERY]: Nhấp nháy khi pin của máy đại biểu hồng ngoại sắp hết. Cần thay pin ngay lập tức.
(6) Đèn chỉ báo ưu tiên điều khiển bên ngoài [EXT, PRIORITY]: Sáng khi hệ thống đang được điều khiển bởi PC hoặc bảng điều khiển bên ngoài. Khi đó, các công tắc (8), (9), (10) sẽ bị vô hiệu hóa.
(7) Đèn chỉ báo giao tiếp điều khiển bên ngoài [EXT, DATA]: Sáng trong quá trình trao đổi dữ liệu với máy tính hoặc bảng điều khiển.
(8) Công tắc cài đặt số lượng micro mở cùng lúc [MAX MIC UNIT, 1/2/3/4]: Thiết lập số lượng máy đại biểu tối đa có thể nói cùng một lúc (từ 1 đến 4 máy).
(9) Công tắc chọn chế độ ưu tiên phát biểu [PRIORITY]:
FIRST: Ưu tiên người nói trước (Vào trước - Ra trước).
LATEST: Ưu tiên người nói sau cùng (Vào sau - Ra trước).
FIRST:FIXED / NEXT:LATEST: Ưu tiên cố định máy đầu tiên, các máy tiếp theo theo chế độ ưu tiên người nói sau cùng.
(10) Công tắc cài đặt tự động tắt mic [AUTO OFF]: Tự động tắt micro sau 30 giây nếu người dùng quên tắt sau khi nói xong.
(11) Điều khiển âm lượng đầu vào MIC [MIC]: Điều chỉnh âm lượng của cổng MIC Input ở mặt sau.
(12) Điều khiển âm lượng đầu vào AUX [AUX]: Điều chỉnh mức tín hiệu của cổng AUX Input ở mặt sau.
(13) Cổng bộ nhớ USB [MEMORY]: Cắm USB để ghi âm trực tiếp.
(14) Cổng kết nối PC (USB Mini-B) [PC]: Kết nối với máy tính để quản lý hoặc xóa các tệp ghi âm trong bộ nhớ trong.
(15) Đèn chỉ báo trạng thái bộ nhớ trong [INTERNAL, STATUS]: Xanh lá khi sẵn sàng ghi âm; Nhấp nháy xanh khi nối PC; Đỏ khi có lỗi bộ nhớ.
(16) Đèn cảnh báo dung lượng bộ nhớ trong [INTERNAL, FULL]: Nhấp nháy khi còn dưới 1 giờ ghi âm; Sáng liên tục khi đã đầy.
(17) Đèn chỉ báo trạng thái bộ nhớ USB [USB, STATUS]: Xanh lá khi sẵn sàng ghi âm vào USB; Đỏ khi USB có lỗi.
(18) Đèn cảnh báo dung lượng bộ nhớ USB [USB, FULL]: Tương tự mục (16) nhưng áp dụng cho thiết bị USB.
(19) Nút dừng ghi âm [STOP]: Nhấn để kết thúc quá trình ghi âm.
(20) Nút bắt đầu ghi âm [REC]: Nhấn để bắt đầu ghi âm.
(21) Đèn chỉ báo trạng thái ghi âm [REC]: Sáng đỏ khi đang ghi; Nhấp nháy khi đang định dạng (format) bộ nhớ.
(22) Nút định dạng [HOLD 5 SEC]: Nhấn giữ 5 giây để xóa sạch bộ nhớ trong.
(23) Đèn chỉ báo đang định dạng [FORMAT]: Nhấp nháy đỏ khi quá trình format đang diễn ra.
(24) Nút kiểm tra lắp đặt [TEST]: Kiểm tra kết nối giữa bộ trung tâm, bộ thu phát hồng ngoại và các máy đại biểu.
(25) Điều khiển âm lượng phát biểu [MIC UNIT]: Điều chỉnh độ lớn âm thanh phát ra từ loa của máy đại biểu.
(26) Giắc cắm tai nghe: Cổng cắm tai nghe chuẩn 3.5mm.
(27) Điều khiển âm lượng tai nghe [HEADPHONES]: Điều chỉnh âm lượng tai nghe.
(28) Công tắc bộ chống hú (FBS) [FBS, AUTO/OFF/EXT]:
AUTO: Tự động dò và triệt tiêu tiếng hú.
OFF: Tắt chức năng chống hú.
EXT: Sử dụng khi có bộ lọc xì (Equalizer) bên ngoài.

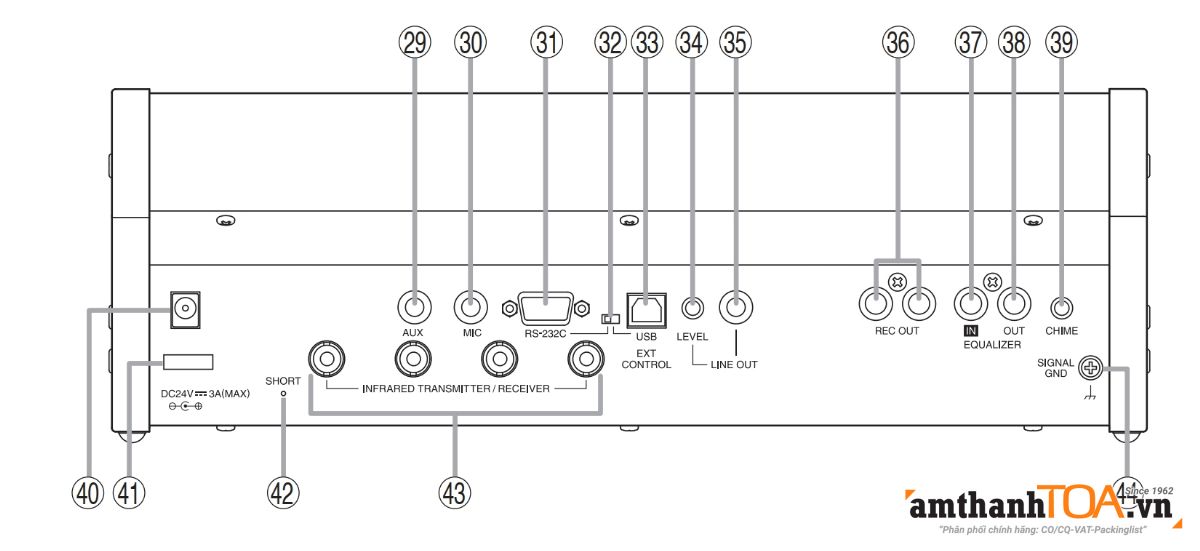
(29) Cổng vào bổ trợ [AUX]: (−20 dB, 10 kΩ, không cân bằng, giắc phone). Kết nối đầu đĩa CD, máy ghi âm hoặc các thiết bị tương tự vào cổng này.
(30) Cổng vào Micro [MIC]: (−60 dB, 600 Ω, không cân bằng, giắc phone). Kết nối micro có dây vào cổng này.
(31) Cổng điều khiển bên ngoài [RS-232C]: Kết nối cổng này với cổng nối tiếp (serial port) của máy tính (PC), bảng điều khiển hoặc các thiết bị điều khiển bên ngoài khác.
(32) Công tắc chọn cổng điều khiển bên ngoài: Dùng để chọn giữa cổng điều khiển RS-232C (31) hoặc USB (33).
(33) Cổng điều khiển bên ngoài [USB]: Kết nối với cổng điều khiển của máy tính, bảng điều khiển hoặc các thiết bị điều khiển bên ngoài khác.
(34) Điều khiển mức âm lượng [LINE OUT, LEVEL]: Điều chỉnh âm lượng cho đầu ra Line Out (35).
(35) Cổng ra tín hiệu [LINE OUT]: (−10 dB, 10 kΩ, không cân bằng, giắc phone). Kết nối với tăng âm (amplifier) cho hệ thống âm thanh công cộng. Âm thanh từ các máy đại biểu, hoặc từ cổng MIC/AUX sẽ được xuất ra cổng này.
(36) Cổng ra ghi âm [REC OUT]: (−10 dB, 10 kΩ, không cân bằng, đơn âm - monaural, giắc RCA). Kết nối với thiết bị ghi âm bên ngoài. Cổng này cũng có thể kết nối với tăng âm. Tín hiệu âm thanh tương tự như cổng Line Out.
(37) Cổng vào bộ cân bằng đồ họa [EQUALIZER, IN]: (−20 dB, 10 kΩ, không cân bằng, giắc RCA). Kết nối cổng này với cổng ra (output) của bộ cân bằng đồ họa (graphic equalizer).
(38) Cổng ra bộ cân bằng đồ họa [EQUALIZER, OUT]: (−20 dB, 10 kΩ, không cân bằng, giắc RCA). Kết nối cổng này với cổng vào (input) của bộ cân bằng đồ họa.
(39) Điều khiển âm lượng chuông ưu tiên [CHIME]: Điều chỉnh âm lượng của tiếng chuông báo khi nhấn phím ưu tiên phát biểu trên máy Chủ tọa.
(40) Cổng vào điện áp DC: Kết nối bộ đổi nguồn AC (adapter) đi kèm vào cổng này.
(41) Kẹp giữ dây cáp: Luồn dây cáp của bộ đổi nguồn qua kẹp này để tránh giắc cắm bị tuột khỏi cổng DC.
(42) Đèn chỉ báo ngắn mạch [SHORT]: Sáng khi bộ thu/phát hồng ngoại hoặc dây cáp kết nối bị chập mạch (ngắn mạch).
(43) Các cổng vào/ra cho bộ thu/phát hồng ngoại [INFRARED TRANSMITTER/RECEIVER]: * Kết nối bộ thu/phát hồng ngoại hoặc bộ chia (Distributor) vào các cổng này.
Khi sử dụng bộ chia YW-1022 (chia 2) hoặc YW-1024 (chia 4), số lượng bộ thu/phát hồng ngoại tối đa có thể kết nối là: 16 thiết bị (nếu dùng toàn bộ mẫu TS-905) hoặc 12 thiết bị (nếu dùng mẫu TS-907 hoặc kết hợp cả hai mẫu).
(44) Cổng nối đất chức năng [SIGNAL GND]: * Tiếng ù (nhiễu) có thể phát sinh khi kết nối các thiết bị bên ngoài. Việc nối cổng này với cổng tiếp địa chức năng của thiết bị bên ngoài có thể giúp giảm tiếng ù này.
Lưu ý: Cổng này không phải là cổng tiếp địa bảo vệ (chống giật).
Sơ đồ kết nối hệ thống TS-820RC
Để hệ thống có thể chạy được chúng ta cần
Micro chủ tịch - điều hành cuộc họp: TS-821 + TS-923 hoặc TS-924
Micro đại biểu - phát biểu: TS-821 + TS-923 hoặc TS-924
Mắt hồng ngoại: TS-905, TS-907
PC - Họp trực tuyến: Thêm phần mềm Zoom, Team, Sky, Zalo
Amply + loa: Thông thường sẽ dùng cho các phòng họp vừa và nhỏ, chúng ta cần 1 amply 120 (A-2120, A-3212DM-AS) hoặc 240W (A-2240 hoặc A-3224DM-AS) và 4 hoặc 8 loa (BS-1030B, BS-1030W hoặc F-05BT, TZ-207-AS...)

Để mua sản phẩm chính hãng với chính sách giá và bảo hành tốt nhất, vui lòng liên hệ chúng tôi theo số hotline: 090.331.0913 (Zalo).

67 Trần Hưng Đạo, P. Cửa Nam, Hà Nội291A Đường Ung Văn Khiêm, Phường Thạnh Mỹ Tây, Hỗ Chí Minh
ÂM THANH TOA 2026