FV-224PA-AS amply TOA 240W chuyên dùng trong hệ thống FV-200 của TOA và để lắp đặt amply này chuẩn, không bị cháy chúng ta cần một số điểm lưu ý sau:
Các đặc điểm cần lưu ý khi lắp đặt amply TOA 240W FV-224PA-AS
Amply chỉ có ngõ ra 70V / 100V line: Nên chỉ sử dụng trong âm thanh thông báo, báo cháy và các dòng loa có trở kháng cao (có biến áp) như: PC-648R, PC-658R, BS-678, SC-630M, BS-1030B...
Công suất không quá 240W: không được nối vượt quá công suất loa (công suất tổng = tổng công suất các loa)
Không để chập dây loa khi nối: Cháy amply - không được bảo hành trong trường hợp này
Amply khối lượng khá nặng: Kích thước 2U và khối lượng lặng, nên đặt amply ở dưới tủ tránh rơi vào chân hoặc đổ vỡ.
Các phím, nút, cổng chức năng trên amply TOA 240W FV-224PA-AS
Mặt trước của amply TOA 240W FV-224PA-AS

(1) - Đèn báo lỗi: Đèn sáng Đỏ nếu có lỗi xảy ra, và sáng khi: Nguồn bị tắt (sau vài giây bật), amply quá nhiệt, đứt cầu chì, ngắn mạch... nói chung nếu gặp đèn này thì phải tắt nguồn ngay và kiểm tra lại hệ thống
(2) - Đèn báo tín hiệu đỉnh: Báo đỏ khi mà tín hiệu vào quá lớn, cần phải điều chỉnh âm lượng xuống, để lâu sẽ cháy amply. Có thể chỉnh ở mặt sau Amply (8).
(3) - Đèn báo tín hiệu vào: sáng xanh có nghĩa là đang có tín hiệu vào
(4) - Đèn báo có nguồn điện: sáng xanh có nghĩa là đang có nguồn điện.
Mặt sau của amply TOA 240W FV-224PA-AS

(5) - Dây nguồn: Dùng nguồn 220V từ điện lưới hoặc UPS
(6) - Cổng kết nối nguồn 24V DC: Từ Acqui, UPS
(7) - Ngõ ra kết nối loa: Thông thường ở Việt Nam dùng COM - 100V. Không lắp lẫn 70V và 100V cùng lúc, và không quá công suất amply
(8) - Chỉnh âm lượng ngõ vào: Khi đèn PEAK (2) báo đỏ, chỉnh núm xoay về ngược chiều kim đồng hồ.
(9) - Khe cắm mô-đun VP-200VX: Hiện không còn sử dụng
(10) - Ngõ ra báo trạng thái Amply: Khi amply lỗi, đèn (1) sáng thì sẽ đảo trạng thái ngõ ra
(11) - Ngõ vào tín hiệu cho Amply: có 2 cổng, nối song song, dùng cổng nào cũng được
(12) - Nối Mass: Dùng khi amply có tiếng sôi hoặc muốn nối mass hệ thống
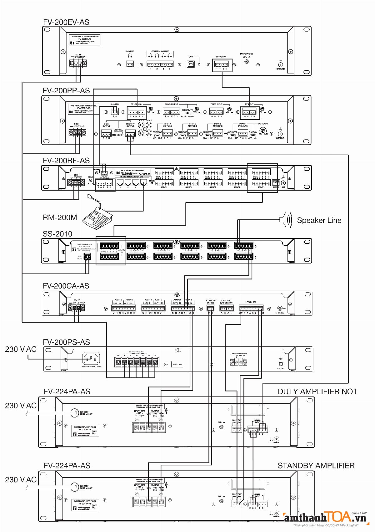
Cách nối amply TOA 240W FV-224PA-AS trong hệ thống FV-200

Để mua sản phẩm chính hãng với chính sách giá và bảo hành tốt nhất, vui lòng liên hệ chúng tôi theo số hotline: 090.331.0913 (Zalo).
THÔNG TIN SẢN PHẨM
|
|
Tăng âm công suất 240W: FV-224PA-AS
Model: FV-224PA-AS
Giá bán: vui lòng liên hệ
FV-224PA-AS tăng âm analog, công suất 240W cho hệ thống FV-200. Tăng âm có ngõ ra 100V Line, và đèn báo trạng thái lỗi khi tăng âm có vấn đề. Kích thước 2U
|

67 Trần Hưng Đạo, P. Cửa Nam, Hà Nội291A Đường Ung Văn Khiêm, Phường Thạnh Mỹ Tây, Hỗ Chí Minh
ÂM THANH TOA 2026